网站首页
关于我们
公司简介
企业文化
生产车间
检测设备
合作伙伴
产品中心
LAMP LED
TOP SMD LED
CHIP SMD LED
IRM LED
数码显示
Light bar
应用领域
消费类电子
车用LED
照明LED
LED背光
工业类
新闻中心
行业资讯
德润弘新闻
联系我们
联系方式
人才招聘
Language
中文版
English
中
En
网站首页
关于我们
公司简介
企业文化
生产车间
检测设备
合作伙伴
产品中心
LAMP LED
TOP SMD LED
CHIP SMD LED
IRM LED
数码显示
Light bar
应用领域
消费类电子
车用LED
照明LED
LED背光
工业类
新闻中心
行业资讯
德润弘新闻
联系我们
联系方式
人才招聘
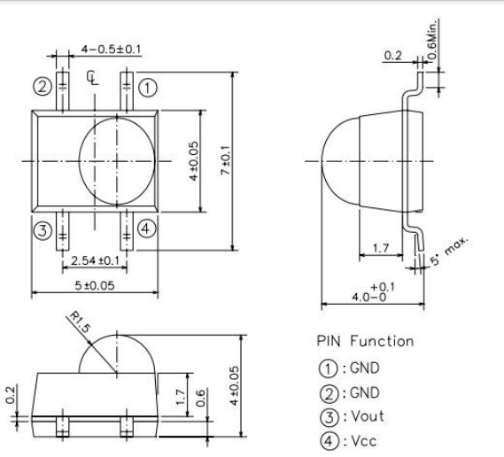
5040
应用范围:资料准备中...
产品详情
静态电流(mA)
接收波长(nm)
载波频率 (KHZ)
接收角度(deg)
工作电压(V)
接收距离(m)
0.1-0.3
940
37.9
±45°
2.7-5.5
20
0.1-0.3
940
37.9
±45°
2.7-5.5
25
采购:指示类LED:咨询客服或留下联系电话可以获得免费打样(只付样品运费即可)+人员一对一咨询解答!
请填写
采购
的产品数量和产品描述,方便我们进行统一备货
提交